400B十大特点:
DP/V1功能:
PROFIBUS-DP/V0+V1功能,满足工程项目中日益增加的对DP-V1功能的要求。国际标准认证,完善的总线诊断功能。
IO密度高:
•超薄、高密:6点IO单模块宽度仅22.5MM(宽22.5×高125×厚115)
•适配器外形尺寸:宽45×高125×厚115
•最小配置(16IO+适配器)宽度仅有67.5MM,宽67.5×高125×厚115
•高密:在通常宽800MM的标准控制柜中可安装多达25个IO模块,共计400DIDO(这便是冠名400B的缘由),宽度(适配器+25IO模块)=607MM。
•单站最大IO:指单适配器最多带多少IO。400B单站最大IO=32IO模块共计512DIDO,宽度(适配器+32IO模块)=765MM
多协议通信适配器:
满足自动化领域多种网络协议标准共存的现状,支持国际IEC61158、国内普遍应用的主流工业网络协议标准:
PROFIBUS- DP/V0/V1、PROFINET(RT&IRT;)、CANOPEN、DeviceNet、MODBUS/TCP、ETHERCAT。
模块种类丰富、小点数配置灵活:
•DI16: 16点开关量输入;
•DO16:16点开关量输出,24VDC/0.5A;
•DOR8:8路继电器输出,双端5A;
•DI8DO8:8点开关量输入/8点开关量输出;
•Ai8:8路模拟量输入,双端隔离、16位分辨率,精度2‰;
•AO4: 4路模拟量输出,双端隔离、14位分辨率,精度2‰;
•THC8:8路热电偶输入,双端隔离、16位分辨率,精度2‰;
•TCRTD3:3路温度回路控制器、热电阻PT100三端输入+PWM输出+冷端输出、全部隔离、PID参数自整定、分辨率0.1℃、精度0.3级(0.3%FS±0.1℃)
可靠性高:
CE认证 、EMC标准达4级(IEC61131-2)
宽温工作环境-40~+60、
宽电压输入19.2V~28.8VDC。
高性价比;
PROFIBUS总线冗余。
支持IO模块带电热插拔:
满足某些过程控制要求。在不断电条件下更换IO模块,其它IO模块保持正常工作。
远程IO站双电源供电同样用于要求不间断工作场合。两路电源只要有一路保持供电即可保证远程IO站的正常工作。
安全输出功能:
•安全输出功能是指所有输出(DO、AO)在下列状态时能有确定性输出;
A1:IO站上电后与主站网络连通之前; 所有输出(DO、AO)进入安全输出。
A2:通信适配器网络通信故障后至故障排除前; 所有输出(DO、AO)进入安全输出。
A3: 系统主站(控制器)命令强制所有输出模块进入 安全输出功能状态
•安全输出值通过软件配置下载到IO站并可以掉电后保持。
•安全输出值出厂缺省为0安全输出值。
输入快速锁存及输出短路保护:
输入快速锁存:总线IO的开关量输入的电平维持时间受到
①总线轮询周期的限制、
②适配器对IO模块扫描周期的限制。400B开关量输入的电平维持时间是10~50MS(因为实际配置总线站点数不同总线轮询周期不同)但某些场合要求更高,如1~10MS。输入快速锁存是IO可以扑捉输入上升/下降沿并可以缓存的功能,使总线主站PLC/DCS可以读到瞬间IO输入信号。
输出短路保护:指开关量输出的短路保护功能。
|
产品型号
|
I/O模块 400B-DO8DA2R5 | ||||
|
通道技术参数
|
DI:16DIx24V Dc,光电隔离 | ||||
|
PROFIBUS参数
|
标准PROFIBUS-DP从站接口,符合IEC61158 TYPE3 PROFIBUS国际标准 | ||||
| 标准PROFIBUS-DP驱动接口波特率自适应,最大波特率为12Mbps | |||||
| 配置方式:GSD文件在PROFIBUS主站中配置 | |||||
|
PROFINET参数
|
标准PROFINET-Device(PN从站),符合IEEE1588标准 | ||||
| 2个以太网电口,100Mbit/s传输速度,自动交叉功能全双工通信 | |||||
| 配置方式:GSDML文件在ROFINET-Controler(PN主站)配置 | |||||
|
消耗电流
|
30mA | ||||
|
供电方式
|
I/O模块:背板端子供电 | ||||
|
认证
|
CE认证,EMC测试3000V | ||||
|
温湿度
|
工作温度:-20℃到+55℃;运输和存储:-40℃到+70℃;工作相对湿度:5-90%(无结露) | ||||
|
安装
|
35mm导轨,TBUS背板端子安装; 防护等级:IP20; | ||||
|
尺寸
|
I/O 扩展模块(宽x高x厚)22.5x125x115mm | ||||
|
产品特点
|
1、故障诊断:可根据状态字,判定模块工作状态。 | ||||
| 2、安全输出:在I/O模块通讯或适配器总线故障时,输出模块可进入安全输出状态。安全输出值可设为指定值或者保持当前值; | |||||
产品说明图:

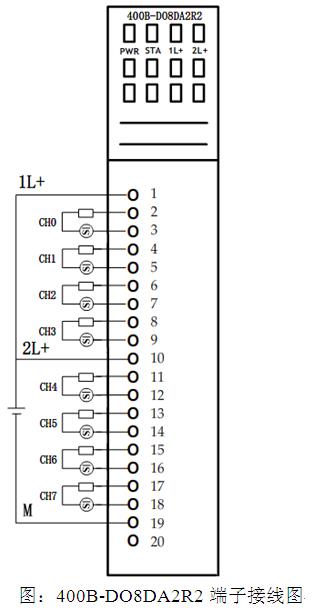
接线图:

产品尺寸:
安装步骤:



当前位置:
市场客服
在线留言